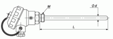
ТП-9201-05, ТМ-9201-05 датчик температуры
Назначение: для измерения температуры газообразных и жидких сред, с неподвижным штуцером.
Исполнение: общепромышленное, взрывозащищенное, атомное, морское исполнение.
Технические характеристики ТП-9201-05/ТМ-9201-05
| ТМ-9201-05 | ТП-9201-05 | |||||
| Тип чувствительного элемента | медный | платиновый | ||||
| Рабочий диапазон измеряемых температур, оС |
-50...+160
|
-50...+250 (только для класса допуска АА) -50...+350 -50...+500 (только для класса допуска В) -196...+200 (только для класса допуска В) |
||||
| Номинальная статическая характеристика (НСХ) |
50М, 100М |
50П, 100П, Pt100 |
||||
| Класс допуска | В, С | АА, А, В | ||||
| Схемы подключения датчиков | 21, 3, 4, 4б при d> 8мм | |||||
| Степень защищенности от воздействия воды и пыли | IP55 | |||||
| Материал защитной арматуры | 12Х18Н10Т | |||||
| Диаметр защитной арматуры d, мм | 6 | 8 | 10 | 6 | 8 | 10 |
| Условное давление, МПа | 4 | 4 | 6,3 | 4 | 4 | 6,3 |
| Время термической реакции, с | 10 | 20 | 30 | 10 | 20 | 30 |
| Максимальная длина монтажной части, Lmax | 1000 | 1600 | 3150 | 1000 | 1600 | 3150 |
| Длина монтажной части L, мм | 60, 80, 100, 120, 160, 200, 250, 320, 400, 500 | |||||
| Кол-во чувствительных элементов | 1, 2 | |||||
| Типы головок | АЛ1, АЛ2, АЛ3, АГ, СН, Ех | |||||
| Тип крепления | штуцер М20х1,5; М27х2; М33х2 | |||||
Примечания:
1 - применяется с длиной монтажной части L до 500 мм;
2 - с диаметром защитной арматуры 6 мм может быть установлен только 1 чувствительный элемент;
3 - в головку типа АГ и АЛ3 возможна установка нормирующего преобразователя, с головкой типа СН датчик может использоваться в агрессивных средах, не разрушающих материал защитной арматуры.;
4 - при взрывозащищенном исполнении используется головка типа "Ех".

Рисунок ТП/ТМ-9201-05
Пример заказа
| ТМ-9201 | - | - 05 | - -50...+1500С | - 1 чэ | - 100 М | - В | - | - d = 10 мм | - L = 630 мм | - | - М20х1,5 | - сх.2 | - АГ |
| 1 | 2 | 3 | 4 | 5 | 6 | 7 | 8 | 9 | 10 | 11 | 12 | 13 | 14 |
(ТМ-9201 в общепромышленном исполнении, рисунок 05, с диапазоном измеряемой температуры от -500С до +1500С, один чувствительный элемент, НСХ100М, класс допуска В, с защитной арматурой диаметром 10 мм, с длиной монтажной части 630 мм, тип крепления штуцер М20х1,5, с двухпроводной схемой соединения, тип головки стеклонапольный полиамид АГ)